jr7cwk;lavo

▼PC車載用DC-DC>基本回路及び使用部品

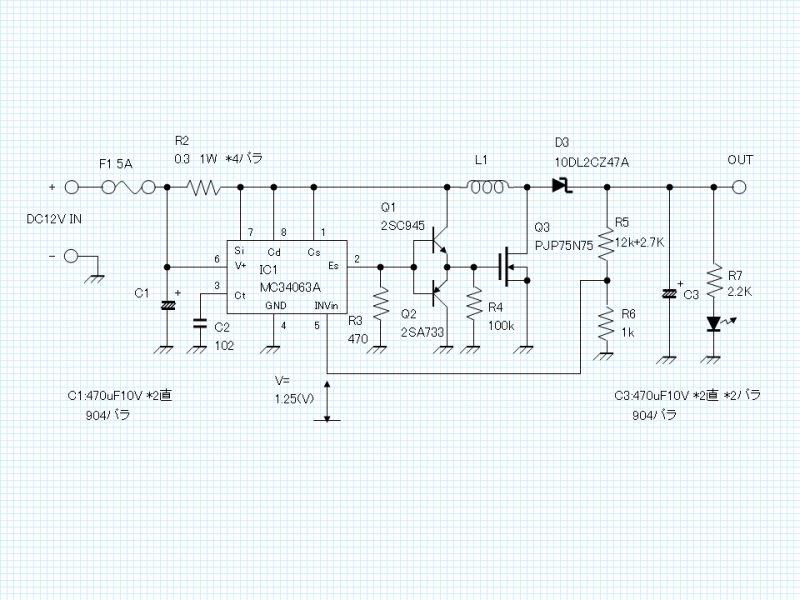
基本回路
 実はDC-DCコンバータICの型番「MC34063A」をキーに検索していて下記のサイトが
ヒットしていた。

「ノートPCを鉛バッテリで駆動する」
http://scw.asahi-u.ac.jp/~sanozemi/Sakuhin/NotePC03/NotePC03.html

シールド鉛バッテリを使用している事と出力電圧に違いがある以外、考え方に違いがないので、コンバータ部分の回路はほぼそのまま参考にさせていただいた。

ただし、使用するパーツは秋月の店頭で見つけた中で適しそうなものに変更している。
(実は部品購入時、上記サイトの記事のメモを持っていなかった。PoMOSやダイオードは
ともかくので、特にLが全く異なったものを使用している。)

使用部品についての特記事項
・IC1:MC34063A または、NJM2360
  ・・・100円均一で入手したシガープラグ型携帯電話充電器から外したMC34063A互換品を使用。
  (CanDoで入手したMaxTock製のチャージャのものを使用したが、他ショップでも同様なものが入手可能なので、そちらでも可。)
 C2(102)も上記より外したもの。

・D1及び、M1(バッテリ電圧ケージ)の回路は省略した。
 なお動作モニタ用に、出力側にLED回路を付加している。

・R2:0.3Ωを4本並列に接続して使用(0.075Ω)

・Q1,Q2:手持ちの都合で、2SC945/2SA733を使用

・L1:秋月で購入した200μH(秋月No.P-04080)を暫定で使用
   (元記事では80μH。
   他に10μH(秋月No.P-04722)も入手・・・どちらでも動作する事を確認済み。
   ただし特性的にどちらが良いのか、という検討はまだ行っていない)

・Q3:秋月で購入したPANJIT製PJP75N75を使用
  参考(比較)
     ドレイン耐圧 ドレイン電流 ON抵抗   ゲート入力容量
 2SK2507  50(V)     25(A)   34(mΩ)    900(pF)
 PJP75N75  75(V)     75(A)   11(mΩ)@30A  3150(pF)


・D3:秋月で購入した東芝製10DL2CZ47Aを使用
 (「スイッチング電源の整流用」との事で安価だったので選定した。
 実は元記事では順方向電圧の小さいショットキーバリアダイオードが推奨されて
 いるが発熱の問題を除けば、私の場合電源がカーバッテリであり若干の効率低下は
 あまり問題にならないので。)

・VR1,R5:固定抵抗+半固定抵抗という組み合わせだったが、車載用であり、振動や
 耐環境面から固定抵抗のみに置換え。
 ただし手持ちの都合で12KΩ+2.7KΩ(手持ちの都合でR6と共に精度5%の抵抗)を使用。
 上記抵抗での設計電圧:(12K+2.7K+1K)/1K*1.24V=19.468V)

・C1及びC3
 手持ちの都合で470μF10Vを2本直列で使用(C3はそれを2組並列接続)
 なお、904(0.9μF)のフィルムコンの手持ちがあり、高周波特性改善を図るべく、
 C1,C3にさらに並列に接続。・・・効果の程は不明。

・ヒューズ:仮に5Aのものを入れている。
 (回路構成上、PoMOSのON/OFFにかかわらず、L〜Dを経由して電流が流れるパスがある為、出力をショートさせると過電流が流れてしまう。よってヒューズは省略不可。)


※車から発生する「サージ」を抑える回路は現状取り付けていない。
 可能であれば電源側にノイズフィルタ等を挿入したほうが良いかも。


●画像 ( )
●2011.10.19
●cwk
編集


コメントを書く
記事へ
HOME

copyright/jr7cwk

powered by samidare