jr7cwk;lavo

▼ソーラーアクセントライト>回路を調べてみた

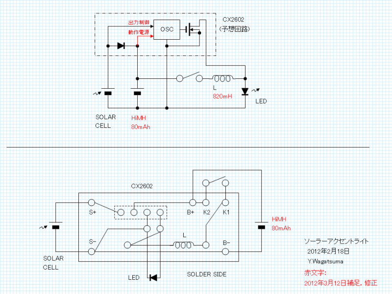
回路を調べて図にしてみました。

CX2602の内部回路は、動作や周辺回路から予想したものであり、実際とは異なるものと思いますのであくまで参考用です。

・ダイオードは、太陽電池に二次電池からの電圧が逆流しないようにするためのもの。
・発振回路とMOSFET(BipTrかもしれません)は、Lとともに、LEDが点灯させる電圧を得る為の昇圧回路で、日中の点灯を防止する為に太陽電池の出力電圧により、LEDの点灯を禁止する回路があるものと思います。


<2012年03年13日追加>
図面差し替えました。
・ICへの動作電源系の接続追加,信号名追加
・ネットでの他の方の解析情報を元に、電池の種類,容量,Lのインダクタンス追加

※Lのインダクタンスが大きい為に出力電流が小さいのではないか、という書き込みを見かけましたが、
他の方のサイトの書き込みによると発振周波数が70kHz程度との事で、この周波数に合わせているだけかと思います。
(電池2本の携帯電話充電器にのDC-DCに使用されているLは数十uH程度のものですが、発振周波数が数百kHz程度になっています。)

<追加おわり>


●画像 ( )
●2012.02.18
●cwk
編集


コメントを書く
記事へ
HOME

copyright/jr7cwk

powered by samidare