jr7cwk;lavo
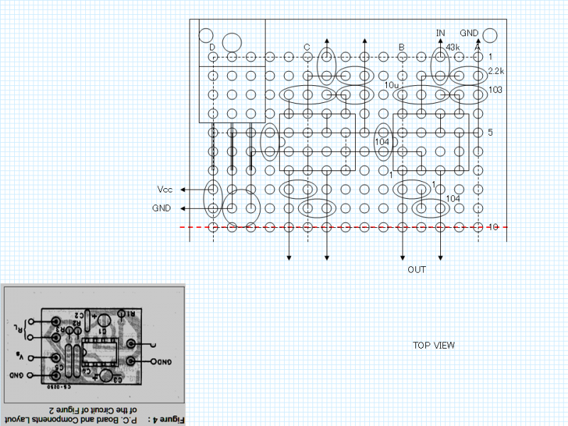
▼アンプ付スピーカ>2号機の実装図
1号機は比較的余裕があったが、2号機は小型にする事を目指した事で、スペースが限られる。
製作に入る前に基板への実装図を作り、部品配置を検討した。
●画像 (
大
中
小
)
●2009.01.20
●cwk
●
編集
→
コメントを書く
⇒
記事へ
⇒
HOME
copyright/jr7cwk
powered by
samidare